固定污染源廢氣 總烴、甲烷和非甲烷總烴的測定 便攜式催化氧化-氫火焰離子化檢測器法

1、范圍
本標準規定了測定固定污染源有組織排放廢氣中總烴、甲烷和非甲烷總烴的便攜式催化氧化-氫火焰離子化檢測器法。
本標準適用于固定污染源有組織排放廢氣中總烴、甲烷和非甲烷總烴的測定。
本方法測定總烴、甲烷的檢出限均為0.14 mg/m3(以甲烷計),測定下限均為0.56 mg/m3(以甲烷計);非甲烷總烴的檢出限為0.10 mg/m3(以碳計),測定下限為0.40 mg/m3(以碳計)。
2、規范性引用文件
下列文件對于本文件的應用是必不可少的。凡是注日期的引用文件,僅注日期的版本適用于本文件。凡是不注日期的引用文件,其最新版本(包括所有的修改單)適用于本文件。
GB/T 16157 固定污染源排氣中顆粒物測定與氣態污染物采樣方法
HJ/T 373 固定污染源監測質量保證與質量控制技術規范(試行)
HJ/T 397 固定源廢氣監測技術規范
HJ 836 固定污染源廢氣 低濃度顆粒物的測定 重量法
HJ 1012 環境空氣和廢氣 總烴、甲烷和非甲烷總烴便攜式監測儀技術要求及檢測方法
3、術語和定義
下列術語和定義適用于本文件。
3.1
總烴 total hydrocarbons(THC)
指在本標準規定的測定條件下,在氫火焰離子化檢測器上有響應的氣態有機化合物的總和。
3.2
非甲烷總烴 non-methane hydrocarbons(NMHC)
指在本標準規定的測定條件下,從總烴中扣除甲烷以后其他氣態有機化合物的總和(除非另有說明,結果以碳計)。
3.3
校準量程 calibration span
儀器的校準上限,為校準所用標準氣體的濃度值(進行多點校準時,為校準所用標準氣體的最高質量濃度值),校準量程(以下用C.S.表示)應小于或等于儀器的滿量程。
3.4
示值誤差 calibration error
標準氣體直接導入分析儀的測量結果與標準氣體濃度值之間的誤差。
3.5
系統偏差 system bias
標準氣體直接導入分析儀與經采樣管導入分析儀的測量結果之間的差值,占校準量程的百分比。
4、方法原理
將廢氣樣品導入便攜式催化氧化-氫火焰離子化檢測器分析儀,分別通過總烴檢測單元和甲烷檢測單元(甲烷檢測單元通過催化劑能夠將除甲烷以外的其他有機化合物全部氧化為二氧化碳和水)測定總烴和甲烷的含量,兩者之差即為非甲烷總烴的含量。
5、干擾和消除
5.1 氧氣對樣品測定有干擾,儀器應具有在測量樣品時自動扣除氧峰消除干擾的功能。
5.2 廢氣中的顆粒物易堵塞管路,干擾樣品測定,應通過儀器的濾塵裝置進行消除。
6、試劑和材料
6.1 除烴空氣
總烴含量(含氧峰)≤0.40 mg/m3(以甲烷計);或在甲烷柱上測定,除氧峰外無其他峰。
6.2 標準氣體
可采用甲烷、丙烷有證標準氣體或甲烷和丙烷混合有證標準氣體,平衡氣為除烴空氣,其不確定度≤2 %。
6.3 燃料氣
氫氣,純度≥99.999 %,應以安全形式存儲,保證現場使用和運輸安全。
7、儀器和設備
7.1 廢氣中水份含量的測定裝置
濕度測定裝置用于廢氣中水份含量的測定。
7.2 儀器構成
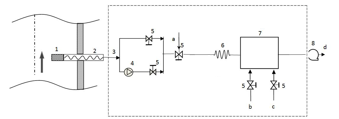
便攜式催化氧化-氫火焰離子化檢測器法分析儀,主要包括樣品采集和傳輸單元、分析單元、數據采集與處理單元以及其他輔助設備等。儀器工作原理示意圖見圖1。
7.3 樣品采集和傳輸單元
樣品采集和傳輸單元主要包括采樣探頭、樣品傳輸管線、流量控制設備和采樣泵等。采樣探頭及樣品傳輸管線應選用耐高溫、防腐蝕和不吸附、不與待測物發生反應的材質,采樣探頭應配有顆粒物過濾裝置,樣品傳輸管線應具有穩定、均勻加熱和保溫的功能。
7.4 分析單元
分析單元包括催化氧化單元和氫火焰離子化檢測器,氫火焰離子化檢測器具有自動檢測當前火焰狀態功能,當檢測到火焰熄滅,儀器自動點火,恢復正常運行。
7.5 數據采集與處理單元
儀器同屏顯示總烴和甲烷的數值,計算出非甲烷總烴的數值,具備顯示實時數據和曲線、查詢歷史數據功能,具有遠程數據傳輸功能。
7.6 輔助設備
配備便攜式打印機,用于現場打印測試數據。
7.7 儀器性能要求
儀器性能要求包括:
a) 示值誤差:不超過±10 %;
b) 系統偏差:不超過±10 %;
c) 溫度要求:樣品傳輸管線溫度不低于120℃且高于煙氣溫度20℃以上,實際溫度值能夠在儀器中顯示并可根據工況調節溫度;
d) 其它應符合HJ 1012的要求。

1.顆粒物過濾裝置 2.采樣探頭 3.樣品傳輸管線 4.催化氧化單元 5.控制閥 6.定量環
7.氫火焰離子化檢測器 8.采樣泵
a.樣品氣 b.燃料氣 c.除烴空氣 d.廢氣
圖1 儀器工作原理示意圖
8、采樣和測定
8.1 采樣位置、采樣點的確定
按GB/T 16157、HJ/T 373、HJ/T 397及有關規定,確定采樣位置、采樣點。
8.2 儀器準備
按操作說明正確連接儀器設備,打開主機電源,進行儀器預熱。
8.3 儀器校準
8.3.1 零點校準
測試前,通入除烴空氣(6.1)對設備零點進行校準。
8.3.2 量程校準
預估待測氣體濃度,設置校準量程。將標準氣體(6.2)通入分析儀進行測定,示值誤差應符合7.7條a)的要求,否則,需要校準,校準方法如下:
將標準氣體(6.2)與分析儀連接,安裝好并打開標準氣體后,按儀器使用說明書中規定的校準步驟進行校準。
8.4 樣品測定
8.4.1 將儀器采樣管前端盡量插入到排氣筒的中心位置,封堵采樣孔。
8.4.2 待儀器測量穩定后記錄測定數據,按分鐘記錄測試數據,取連續5 min~15 min測定數據的平均值,作為一次測量值。
8.4.3 測量結束后,用除烴空氣(6.1)清洗測定儀,待其示值回到零點附近后,關機斷電,結束測定。
8.4.4 按照HJ 836的有關規定測定并記錄廢氣中水份含量。
9、結果計算與表示
9.1 排放濃度計算
總烴、甲烷和非甲烷總烴的濃度結果,以標準狀態下廢氣中的質量濃度表示,總烴和甲烷測定結果以甲烷計,非甲烷總烴測定結果以碳計。
如果儀器示值以體積比濃度(V/V)表示時,應按下式進行換算:

ρ ——標準狀態下(273.15 K,101.325 kPa)煙氣中總烴、甲烷或非甲烷總烴的質量濃度,mg/m3;
c ——被測氣體中總烴、甲烷或非甲烷總烴的體積比濃度,μmol/mol;
M ——甲烷或碳的相對分子質量,g/mol;
Xsw——煙氣中水分含量體積百分比,%。
9.2 結果表示
當測定結果小于1 mg/m3時,保留至小數點后兩位;當結果大于等于1 mg/m3時,保留三位有效數字。
10、精密度和準確度
10.1 精密度
6家驗證實驗室分別對濃度水平為20.1 mg/m3、60.5 mg/m3、118 mg/m3的甲烷標準氣體(以碳計)進行測定:
實驗室內相對標準偏差分別為:0.2 %~1.7 %、0.2 %~1.2 %、0.1 %~0.6 %;
實驗室間相對標準偏差分別為:2.3 %、2.9 %、2.5 %;
重復性限分別為:0.5 mg/m3、1.1 mg/m3、1.2 mg/m3;
再現性限分別為:1.4 mg/m3、4.9 mg/m3、8.5 mg/m3。
6家驗證實驗室分別對濃度水平為22.2 mg/m3、59.0 mg/m3、120 mg/m3的甲烷和丙烷混合標準氣體(以碳計)進行測定:
實驗室內相對標準偏差分別為:0.1 %~1.0 %、0.2 %~0.6 %、0 %~0.7 %;
實驗室間相對標準偏差分別為:4.2 %、1.3 %、1.6 %;
重復性限分別為:0.4 mg/m3、0.6 mg/m3、1.4 mg/m3;
再現性限分別為:2.6 mg/m3、2.2 mg/m3、5.3 mg/m3。
6家實驗室對某制藥廠、某化工廠、某農藥廠有組織廢氣中非甲烷總烴濃度(以碳計)進行測定。某制藥廠有組織廢氣中非甲烷總烴濃度為49.5 mg/m3~59.5 mg/m3,平均值53.7 mg/m3;某化工廠有組織廢氣中非甲烷總烴濃度為211 mg/m3~257 mg/m3,平均值232 mg/m3;某農藥廠有組織廢氣中非甲烷總烴濃度為91.2 mg/m3~97.3 mg/m3,平均值94.5 mg/m3,實驗室內相對標準偏差分別為:2.9 %~5.9 %、3.0 %~5.1 %、1.6 %~2.5 %;實驗室間相對標準偏差分別為:1.5 %、4.2 %、0.6 %。
10.2 準確度
6家驗證實驗室分別對濃度水平為20.1 mg/m3、60.5 mg/m3、118 mg/m3的甲烷標準氣體(以碳計)進行測定:
相對誤差分別為:-4.1 %~1.9 %、-4.8 %~2.0 %、-4.0 %~2.7 %;
相對誤差的最終值為:-1.0 %±4.6 %、-1.4 %±5.6 %、0 %±5.0 %。
6家驗證實驗室分別對濃度水平為22.2 mg/m3、59.0 mg/m3、120 mg/m3的甲烷和丙烷混合標準氣體(以碳計)進行測定:
相對誤差分別為:-6.4 %~6.1 %、-3.7 %~-0.5 %、-4.7 %~-0.5 %;
相對誤差的最終值為:-1.4 %±8.4 %、-2.2 %±2.6 %、-2.4 %±3.0 %。
11、質量保證與質量控制
11.1 測定前,通入除烴空氣(6.1)和標準氣體(6.2),計算示值誤差、系統偏差。若示值誤差和/或系統偏差不符合7.7條a)和b)的要求,應查找原因,并進行儀器維護或修復,直至滿足要求。
11.2 測定后,再次通入除烴空氣(6.1)和標準氣體(6.2),計算示值誤差、系統偏差。若示值誤差和系統偏差符合7.7條a)和b)的要求,判定樣品測定結果有效;否則,判定樣品測定結果無效。
注:測試前后,可采取包括采樣管、導氣管等全系統示值誤差的檢查代替分析儀示值誤差和系統偏差的檢查[其評價執行7.7條a)的要求]。
11.3 樣品測定結果應處于儀器校準量程的20 %~100 %之間,否則應重新選擇校準量程;若樣品測定結果不大于12 mg/m3,則無需重新選擇校準量程。
11.4 儀器需每半年檢驗一次催化氧化單元的催化效率,催化效率應不低于90 %。
12、注意事項
12.1 測定前檢查采樣系統過濾裝置,必要時需進行清洗或更換。
12.2 測定前應檢查儀器加熱系統是否正常工作。
_________________________________